View unanswered posts | View active topics It is currently Wed Oct 29, 2025 7:00 am



Reply to topic  [ 4 posts ] 
Replacement Discs 
Author Message
User avatar

Joined: Thu Nov 04, 2010 9:30 am
Posts: 487
Car(s): Alfa 33, 1935 Riley Special
Reply with quote
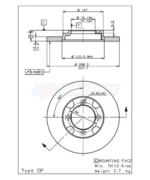
Having completely cooked my original discs in the last race, the hunt was on for a modern replacement that didn't require too much modification.
I believe that having a bit of spare time and the internet has come up trumps. Every measurement (except one) on this Mazda 626 1.6L (1982-1987) matches the measurements on my GT discs.
Attachment:
MAZDISC.jpg
MAZDISC.jpg [ 122.28 KiB | Viewed 18917 times ]

The only problem is that they're probably a bit too thick for the Dunlop calipers, I haven't checked this as I'm using Metro calipers and they fit perfectly. This maybe of use to a few Belletteers, as, at least here in the UK, these discs are ten a penny on E Bay


Mon Nov 26, 2012 1:30 pm
Profile

Joined: Wed Feb 24, 2010 9:37 pm
Posts: 692
Car(s): 2 GT Belletts bellett sedan . Florian.gt project.fj Holden. Gemini.lc gtr.datsun240 z
Reply with quote
Pom bellett. Thank you for that info recon we can get them here no probe . Will try to day . Thanks again . Keep up the good work . Enjoy your posts. Gricey


Mon Nov 26, 2012 7:56 pm
Profile
User avatar

Joined: Tue May 10, 2011 2:23 am
Posts: 2826
Location: Melb.
Car(s): '72 Sport Bellett (imported 180912), M/B AMG A35, i30, had Belletts in past, 2 sed, 3 GT's.
Reply with quote
gricey wrote:
Pom bellett. Thank you for that info recon we can get them here no probe . Will try to day . Thanks again . Keep up the good work . Enjoy your posts. Gricey


they appear to be ~14mm thick. To reduce them down to 10 or so, I would imagine one would need to verify that the rotor is capable of (legally) being at that thickness after 'wear' on the original vehicle? The drawing says around 12mm min thickness though.

I 'think' from memory now that a GT rotor has the 4 mtg. holes tapped. They appear not to be.

_________________
'72 PR60 Sport


Mon Nov 26, 2012 9:49 pm
Profile WWW
User avatar

Joined: Thu Nov 04, 2010 9:30 am
Posts: 487
Car(s): Alfa 33, 1935 Riley Special
Reply with quote
Yes Glen, I thought their chunkiness might be a problem, and I haven't found any skinnier ones yet. Although I haven't looked that hard, because as I've said they fit our Metro calipers well.
The lack of threaded holes we've decided is no real problem, as we've gone to using Allen bolts instead.
If we come up against any hitches with this 'modification' I shall report back immediately.


Tue Nov 27, 2012 9:42 am
Profile
Display posts from previous:  Sort by  
Reply to topic   [ 4 posts ] 

Who is online

Users browsing this forum: No registered users and 10 guests


You cannot post new topics in this forum
You cannot reply to topics in this forum
You cannot edit your posts in this forum
You cannot delete your posts in this forum
You cannot post attachments in this forum

Search for:
Jump to:  
Powered by phpBB® Forum Software © phpBB Group
Designed by ST Software for PTF.